Прямые поставки недоступных в РФ брендов из Китая и Европы. Заявки оставляйте на почту info@cnc360.ru  
0
0

МОДУЛЬ ИНТЕРФЕЙСА ЛИР-915 ЛИР-916

МОДУЛЬ ИНТЕРФЕЙСА ЛИР-915 ЛИР-916

Модуль Интерфейса предназначен для создания простых систем сбора и обработки информации о перемещениях объекта на базе ПК.

14311
(1)

фото 1

Модуль-интерфейса ЛИР-915 и ЛИР-916 являются малогабаритными интеллектуальными устройствами связи инкрементных преобразователей (ЛИР-915) и абсолютных датчиков углового положения (ЛИР-916) с персональным компьютером (ПК) через USB-RS485 преобразователь(ЛИР-967). Модуль Интерфейса предназначен для создания простых систем сбора и обработки информации о перемещениях объекта на базе ПК.

Области применения:

  • Комплексы контроля качества продукции,
  • Контроль и управление технологическими объектами.

ЛИР-915 — осуществляет счет импульсов поступающих с инкрементного преобразователя, фиксирует значения координаты при захвате сигнала референтной метки и преобразует полученные значения в форму, требуемую для передачи по последовательному каналу стандарта RS485. В состав модуль интерфейса ЛИР-915 входят: приѐмник импульсного сигнала инкрементного датчика в стандарте RS-422 согласованный с линией с волновым сопротивлением 120 Oм, высокоскоростной аппаратный счѐтчик, микроконтроллер и формирователь сигнала стандарта RS-485.Счетчик и контроллер реализует функцию 32-разрядного порограмно-аппаратного реверсивного счѐтчика импульсов инкрементного преобразователя и регистров хранения значения абсолютной и относительной координаты. Обеспечивает заданный протокол передачи данных и приема команд.

ЛИР-916 — предназначен для работы с абсолютными датчиками углового положения, имеющие интерфейс типа SSI. ЛИР-916 осуществляет запрос и получение кода углового положения вала датчика согласно протоколу SSI, ее хранения и передачу по последовательному каналу стандарта RS485. В состав модуль- интерфейса ЛИР-916 входит приемник и передатчик стандарта RS422 формирующие сигналы необходимые для реализации протокола передачи SSI интерфейса, микроконтроллер и формирователь сигналов стандарта RS485 Микроконтроллер обеспечивает непрерывное считывание кода положения вала датчика, хранение значения этого кода и реализует заданный протокол передачи данных и приема команд компьютера.

Кроме того, ЛИР-915 и ЛИР-916 имеет формирователь-повторитель последовательного канала что дает возможность организовать сеть устройств работающих на одном USB-порту. Общее количество устройств образующих сеть и обслуживаемых через один последовательный порт ПК может составлять 32 Адрес модуль-интерфейса для обращения по сети программируется непосредственно с ПК через тот же последовательный канал. Адрес интерфейса заносится контроллером в свой ЕЕРRОМ и соответственно сохраняется при выключении питания модуля.

Питание преобразователей может осуществляться, как от блока питания интерфейс-модулей, так и от другого источника питания.

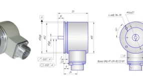
Основные технические характеристики

рисунок 1

Напряжение питания +5V ±5%
Ток потребления 125 mA
Скорость передачи модуля 500.0 Кбит/сек либо 19.2 Кбит/сек
Макс. входная частота сигнала инкрементного Преобразователя 3 Mгц
Частота тактового сигнала SSI интерфейса для абсолютных датчиков углового положения 0.333 Мгц

Работа с модулями-интерфейса

Выполняемые команды ЛИР-915 Выполняемые команды ЛИР-916
Запрос относительной координаты преобразователя  
Запрос абсолютной координаты преобразователя Запрос абсолютной координаты преобразователя
Обнуление абсолютной координаты  
Обнуление относительной координаты  
Программирование параметров устройства Программирование параметров устройства

До начала эксплуатации модуль-интерфейса необходимо запрограммировать, введя в него следующие параметры:

  • сетевой адрес модуля;
  • тип протокола обмена данными.

Программирование этих параметров осуществляется через USB порт ПК специальной программой входящий в комплект поставки. В этом случаи к ПК подключается только один модуль-интерфейса. На разъеме «ВЫХОД» устанавливается специальная заглушка, поставляемая в комплекте с модулем, которая переводит его в режим программирования параметров, который осуществляется при скорости передачи 19.2 Кбит/с.

Запрограммированные параметра сохраняются в энергонезависимой памяти модуля и не стираются после выключения питания. Параметры модулей-интерфейса, образующих сетевую структуру должны различаться только сетевым адресом. Для ЛИР-916 также необходимо запрограммировать разрядность кода датчика углового положения.

Выполняемые команды В символах формата АSСII В двоично-десятичном формате Команда поддерживается ЛИР-916
Запрос относительной координаты преобразователя #AAo 33hАА -
Запрос абсолютной координаты преобразователя #AAa 34hАА +
Обнуление относительной координаты #AAz 30hАА -
Обнуление абсолютной координаты #AAZ 31hАА -
Запрос координаты последней референтной метки #AAr 32hAA -
Программирование параметров устройства #p#ААXYZ   +

АА — сетевой адрес модуля, выраженный шестнадцатеричным числом

X — тип протокола обмена данными принимает значения 0-1 (0-ASCII 1-Двоичнодесятичный)

Y — скорость передачи 0 либо 7

0=19.2 Кбит/сек

7=500.0 Кбит/сек

Z — Разрядность кода абсолютного датчика углового положения. Для датчиков, в SSI протоколе которых присутствует бит ALARM, параметр Z должен быть на единицу больше чем разрядность самого датчика.

Протоколы обмена

ЛИР-915 и ЛИР-916 поддерживают два вида протокола обмена в двоично-десятичном формате и в символах формата ACSII. Двоично-десятичный формат передачи данных обладает меньшим количеством передаваемых байт, за счет чего уменьшается время опроса модуль-интерфейса.

Опрос устройств в прикладных программах, при использовании протокола обмена в символах формата АSСII состоит из простых операций записи/чтения символьных строк в/из последовательного порта, что легко реализуется на любом языке программирования.

Пример программирования ЛИР-915

В этом случае к ПК подключается только один модуль-интерфейса. На разъеме «ВЫХОД» устанавливается специальная заглушка, которая переводит его в режим программирования параметров. При этом из всего списка команд доступна только команда программирования параметров.

Программирование ЛИР-91X осуществляется посылкой состоящей из 7 байт при скорости передачи 19.2 Кбит/с. Первые 3 байта этой посылки являются ASCII кодами символов #p#, оставшиеся 4 байта параметры:

  • сетевой адрес;
  • тип протокола;
  • скорость передачи;
  • разрядность кода.
ASCII # P #    
HEX 23h 70h 23h 01h 00h 07h 00h

Данной командой модуль-интерфейса программируется на работу под сетевым адресом (01h).С протоколом обмена данными в ACSII формате(00h) на скорости передачи 500.0 Кбит/с (07h). Параметр Z(в таблице он седьмой) для ЛИР-915 может принимать любые значения, но не может быть пропущен так как по факту его приема модуль очистит буфер приема и перейдет к выполнению данной команды.

В качестве подтверждения, что новые параметры были занесены в EPROM, модуль возвратит в компьютер посылку, состоящую из 6 байт.

ASCII >     символ 1
HEX 3Eh 01h 00h 07h 00h 0Dh

Первый и шестой байт этой посылки стартовый и стоповый.

Байты со второго по пятый это параметры, которые были занесены в EPROM командой #p#.

После извлечения заглушки станут доступны(в соответствии с протоколом, на который был запрограммирован модуль) все команды кроме команды программирования параметров, а связь с модулем будет происходить на той скорости передачи, которая была задана в параметрах команды #p#.

Сброс приемного буфера и выполнение команды модуль производит по количеству принятых байт.

В случае протокола обмена ASCII все команды становятся 3 байтными. Сброс приѐмного буфера и выполнение команды будет производится после приѐма третьего байта. Также сброс приѐмного буфера произойдет, если первый принятый байт не совпадает с ASCII кодом #(23h).

Например, команды опроса в ASCII протоколе модуля с сетевым адресом 01h будет выглядеть следующим образом.

Запрос относительной координаты преобразователя

ASCII # o
HEX 23h 01h 6Fh

Запрос абсолютной координаты преобразователя

ASCII # a
HEX 23h 01h 61h

Обнуление относительной координаты

ASCII # z
HEX 23h 01h 7Ah

Обнуление абсолютной координаты

ASCII # Z
HEX 23h 01h 5Аh

Запрос координаты последней референтной метки

ASCII # r
HEX 23h 01h 72h

На все команды кроме команд обнуления модуль возвращает ответ. В зависимости от текущей координаты, длинна ответа может изменятся от 2 до 13 байт.

ASCII > - 2 1 4 7 4 8 3 6 4 8 символ 2
HEX 3Eh 2Dh 32h 95h 34h 37h 34h 38h 33h 36h 34h 38h 0Dh

Ответ в 2 байта возможен на запрос абсолютной координаты, когда захвата сигнала референтной метки еще не произошло.

В этом случаи модуль будет давать ответ:

ASCII > символ 2
HEX 3Eh 0Dh

Пример опроса и полученный ответ ЛИР-916

Команда #♣ а

Ответ >65535символ 2

В данной команде содержится запрос на получение абсолютной координаты преобразователя модуля с сетевым адресом 05h. Ответ содержит значение координаты 65535 и код конца передачи- символ 2 (0Dh).

Пример опроса и полученный ответ ЛИР-916 c 16 разрядным абсолютным датчиком имеющим бит ALARM.

Команда #♣ а

Ответ >131071символ 2

В данной команде содержится запрос на получение абсолютной координаты преобразователя модуля с сетевым адресом 05h. Ответ 131071(1FFFFh) содержит значение координаты 65535 (FFFFh) и значения бита ALARM 65536(10000h) код конца передачи — символ 2(0Dh).

В двоично-десятичном формате протокол вывода информации в порт следующий. В начале передается синхронизирующий байт, код которого 0Ah (НЕХ-код). Затем, значение координаты представленное в двоично-десятичном коде. Завершается передача синхронизирующим кодом конца передачи 0Bh.

Например команда опроса ЛИР-915 и полученный ответ будет выглядеть следующим образом:

Команда 33h03h

Ответ 0Аh 12h 34h 56h 07h 0Вh

В данной команде содержится запрос на получение относительной координаты преобразователя модуля с сетевым адресом 03h. Ответ содержит значение координаты 7536.412 мм и код конца передачи — (0Вh).

Положение десятичной точки определяется пользователем при приеме координаты в соответствии с дискретностью подключенного преобразователя перемещений.

Отрицательные числа передаются в двоично-десятичном дополнительном коде.

Команда обнуления абсолютной координаты приведет к обнулению счетчика абсолютной координаты модуля, и переведет его в режим захвата сигнала референтной метки. В этом режиме на запрос абсолютной координаты интерфейс будет отвечать 0Аh DDh DDh DDh DDh 0Вh. Счетчик начнет работать только после захвата сигнала референтной метки.

Пример 2. Команда опроса ЛИР-916 и полученный ответ будет выглядеть следующим образом:

Команда 34h03h

Ответ 0Аh 36h 42h 01h 00h 0Вh

В данной команде содержится запрос на получение относительной координаты преобразователя модуля с сетевым адресом 03h. Ответ содержит значение координаты 14236 и код конца передачи — (0Вh).

рисунок 2

Распайка входного разъёма ЛИР-915

таблица 1

Распайка входного разъёма ЛИР-916

таблица 2

Распайка разъёма питания

ЛИР-915 ЛИР 916

рисунок 3

Распайка разъёма RS485

рисунок 4

таблица 3

Последовательный интерфейс RS-485

Скорость передачи информации 500 Кбит
Количество информационных бит 8
Количество стоп-бит 1
Контроль четности Отсутствует
Назад

Читайте также

10080
(2)
ПРЕОБРАЗОВАТЕЛИ УГЛОВЫХ ПЕРЕМЕЩЕНИЙ

Преобразователи угловых перемещений фотоэлектрические инкрементальные моделей ВЕ178АБ.5В-TTL, ВЕ178АБ.15В-TTL предназначены для использования в системах автоматического регулирования станков.

18020
(1)
Типы преобразователей давления: их характеристики и применение

Для точных измерений параметров промышленного оборудования применяют преобразователи датчиков давления – устройства, которые отображают измеряемую величину в цифровом виде. Благодаря им оборудование на предприятии работает более стабильно и безопасно.

1494
(1)
Производители операторских панелей: Siemens, Fanuc, Heidenhain, Delta

Операторская панель — центр управления станком с ЧПУ, обеспечивающий настройку траекторий, режимов и контроль всех параметров работы. В статье рассмотрим ведущих производителей панелей и пультов, отвечающих современным требованиям автоматизации.