- Главная
- Комплектующие
- Точные измерения и контроль процесса обработки
- Датчики для станков
- TT 160 датчик для наладки инструмента HEIDENHAIN
TT 160 датчик для наладки инструмента HEIDENHAIN
Проводная передача сигнала.
Минимальный размер инструмента Ø 3 мм.
Повторяемость 1,0 мкм.
ООО «Эффективное производство» - официальный партнер компании HEIDENHAIN в России
В сочетании с циклами измерения системы ЧПУ датчики ТТ предоставляют возможность автоматического измерения инструмента на станке. Измеренные значения длины и радиуса инструмента система ЧПУ может записывать в центральную таблицу инструмента. Проверяя инструмент во время работы вы имеете возможность своевременно регистрировать износ или поломку инструмента, что помогает избежать брака и повторной обработки. В случае, если измеренные значения выходят за допустимые пределы, система ЧПУ может либо заблокировать этот инструмент, либо автоматически заменить его на запасной.
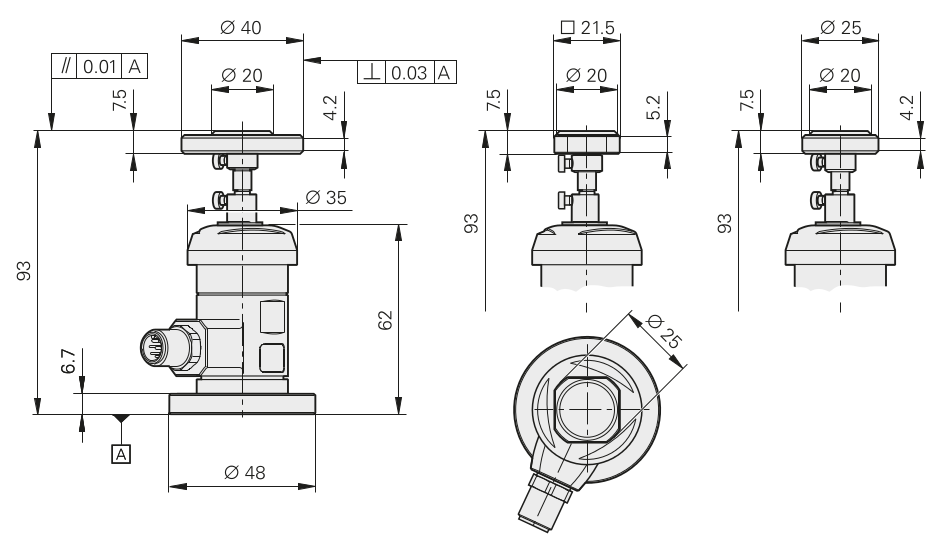
Датчик TT 160 – это коммутируемая система, предназначенная для измерения и контроля инструмента, передающая сигнал по кабелю.
Имеющий форму шайбы контактный элемент датчика TT 160 отклоняется при касании инструмента.
В этот момент датчик генерирует коммутационный сигнал, который передается в ЧПУ и обрабатывается там. Коммутационный сигнал образуется оптическим сенсором, работающим без износа и отличающимся высокой надежностью.
Закаленный контактный элемент датчика TT 160 позволяет проводить измерения при вращении инструмента против направления резания. В зависимости от диаметра инструмента допускается скорость вращения до 1 000 об/мин. Контактный элемент легко заменяется: он просто вставляется в посадочное отверстие и фиксируется винтом.
Контактный элемент легко заменяется. Соединительный штифт, соединяющий контактный элемент с датчиком, имеет намеченную точку излома: это помогает защитить датчик от механических повреждений при ошибке оператора.
| Метод измерения | механическое касание |
| Направления измерений | в 3-х измерениях: ±X, ±Y, +Z |
| Материал инструмента | ломкие режущие кромки могут быть повреждены |
| Чувствительность к загрязнениям | небольшая |
| Возможные циклы измерения | длина, радиус, поломка инструмента, отдельные зубья |
| Затраты при установке | простое подключение к системе ЧПУ |
| Минимальный диаметр инструмента | 3 мм |
| Максимальный диаметр инструмента | не ограничен |
| Точность датчика | ≤ ±15 мкм |
| Повторяемость многократные измерения в одном направлении |
2σ ≤ 1 мкм при скорости измерения 1 м/мин стандартные значения: 2σ ≤ 1 мкм при скорости измерения 3 м/мин 2σ ≤ 4 мкм при скорости измерения 5 м/мин |
| Отклонение щупа датчика | ≤ 5 мм во всех направлениях |
| Усилие касания | осевое: прибл. 8 Н радиальное: прибл. 1 Н |
| Скорость измерения | ≤ 5 м/мин |
| Монтаж на столе станка | монтаж при помощи крепежных элементов (поставляются со щупом) монтаж при помощи монтажного цоколя (аксессуар) |
| Электрическое подключение | фланец М12, 8-pin |
| Передача сигнала | кабельная |
| Длина кабеля | ≤ 25 м |
| Напряжение питания без нагрузки |
DC от 10 до 30 В/≤ 100 мA |
| Выходные сигналы | триггерные сигналы S (сигнал прямоугольной формы и его инверсный сигнал) плавающий триггерный сигнал |
| Уровень сигнала | HTL UH ≤ 20 В при –IH ≤ 20 мA UL ≤ 2,8 V при IL ≤ 20 мA при номинальном напряжении 24 В |
| Класс защиты | IP68 (EN 60529) |
| Рабочая температура | от +10 °C до +40 °C |
| Температура хранения | от -20 °C до +70 °C |
| Вес | прибл. 0,3 кг |
Для заказов на сумму более 50 000 руб. доставка включена в стоимость.
В других случаях рассчитывается исходя из веса отправления и региона доставки.
Возможна доставка любой удобной для заказчика ТК
Сроки доставки от 1 до 3 дней по Центральному региону
По умолчанию мы работаем с двумя курьерскими компаниями:
Major — российская компания, занимающаяся продажей автомобилей и перевозками грузов. Крупнейший, наряду с «Рольфом», автодилер страны.
DPDgroup — международная служба экспресс-доставки. В среднем ежедневно доставляет более 5 миллионов посылок. Работает под торговой марками DPD.
Это наши проверенные партнеры. Однако если вы предпочитаете работать с другой курьерской службой, у нас нет ограничений. Просто сообщите нам об этом. Мы согласуем все условия и отправим заказ с полным комплектом сопутствующей документации.
Как оплатить?
Оплата принимается по безналичному расчету. После согласования заказа мы выставляем счет на оплату. Заказ считается оплаченным после поступления суммы заказа на расчетный счет ООО «Эффективное производство».
Как получить?
География доставки — вся Россия. При перевозке грузы подлежат страхованию. Обычно доставка входит в стоимость продукции.
Приобретая продукцию у нас, вы можете быть уверены, что получаете оригинальное сертифицированное оборудование, комплектующие и оснастку.
На весь представленный ассортимент распространяется гарантия завода-изготовителя. Для каждого конкретного изделия производитель устанавливает определенный гарантийный срок. Обычно он составляет 12-36 месяцев.
Согласно п. 1 ст. 471 Гражданского кодекса РФ гарантийный срок на товар исчисляется с момента фактической передачи его покупателю.
При наступлении гарантийного случая и отсутствии следов некорректной эксплуатации, осуществляется замена неисправного оборудования в соответствии с Законом о защите прав потребителей.
Если утрата функциональности изделия связана с механическими повреждениями, попытками модификации или ремонта, нецелесообразным использованием, то компания ООО «Эффективное производство» не несет за это ответственности, а действие гарантийных обязательств прекращается.
Иногда мы сталкиваемся с ситуацией, когда подлинные запчасти работают некорректно, т.к. нарушена технология их установки. В таком случае наши инженеры удаленно помогают клиентам наладить эксплуатацию.



































